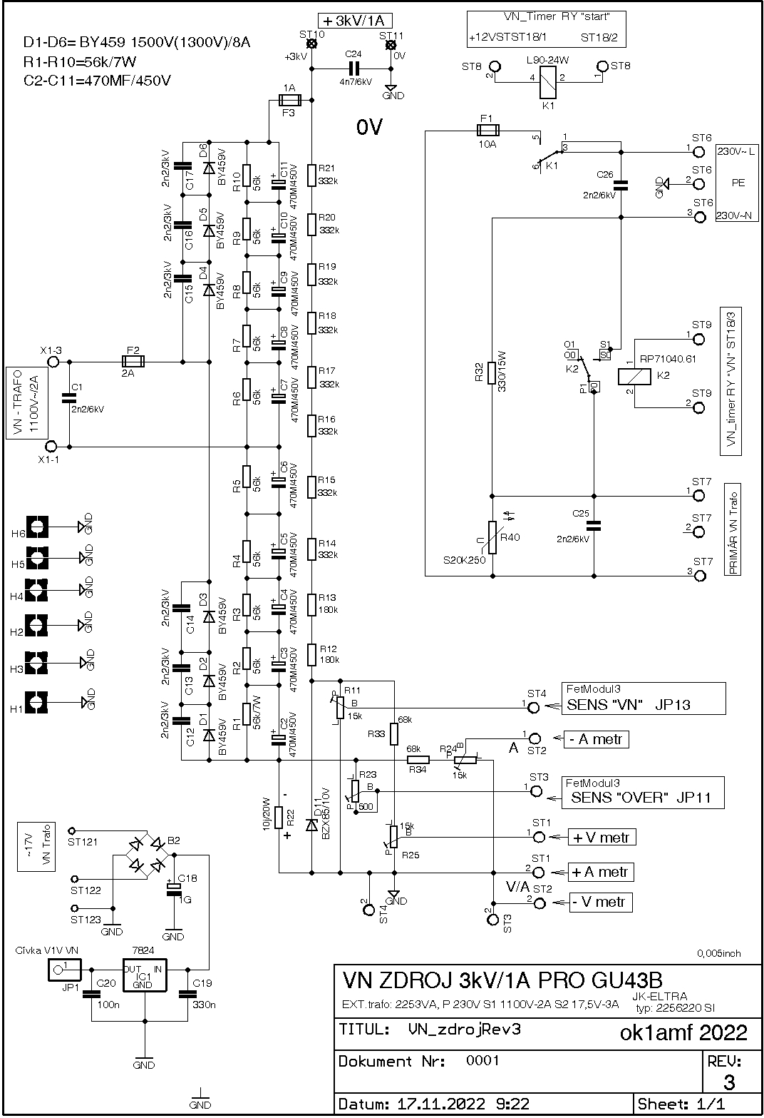
SCHEMA